IBC 7001.A.TVP.P5.DFM軸承尺寸、參數與圖紙
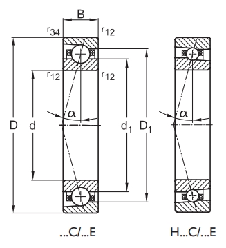
| 接觸角 | |
| 4600 ° | |
| 外形尺寸 (mm) | |
| 軸承內徑 d | 12 |
| 軸承外徑 D | 28 |
| 軸承厚度 B | 8 |
| 內圈外徑 d1 | 16.7 |
| 外圈內徑 D1 | 23.1 |
| 倒角半徑 r1,2.max | 0.3 |
| 倒角半徑 r3,4.max | 0.1 |
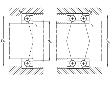
| 擋肩和倒角尺寸 (mm) | |
| 內圈擋肩 da.min | 16.4 |
| 外圈擋肩 Da.max | 24.3 |
| 外圈擋肩 Db.max | 25.7 |
| 倒角半徑 ra.max | 0.3 |
| 倒角半徑 rb.max | 0.1 |
| 額定載荷(N) | |
| 動態額定載荷 Cr | 4600 |
| 靜態徑向載荷 Cor | 2700 |
| 疲勞極限載荷 Cu | 100 |
| 極限轉速(r/min) | |
| 脂潤滑 | 61000 |
| 油/油霧潤滑 | 92000 |
| 超輕預緊 | |
| 預緊力 Fv | 14 N |
| 凸出量 δ | 4 μm |
| 軸向剛度 Sa | 12 N/μm |
| 徑向剛度 Sr | 80 N/μm |
| 卸載力 F.AK | 35 N |
| 輕型預緊 | |
| 預緊力 Fv | 25 N |
| 凸出量 δ | 6 μm |
| 軸向剛度 Sa | 16 N/μm |
| 徑向剛度 Sr | 95 N/μm |
| 卸載力 F.AK | 75 N |
| 中等預緊 | |
| 預緊力 Fv | 60 N |
| 凸出量 δ | 12 μm |
| 軸向剛度 Sa | 22 N/μm |
| 徑向剛度 Sr | 110 N/μm |
| 卸載力 F.AK | 170 N |
| 重壓預緊 | |
| 預緊力 Fv | 120 N |
| 凸出量 δ | 16 μm |
| 軸向剛度 Sa | 30 N/μm |
| 徑向剛度 Sr | 140 N/μm |
| 卸載力 F.AK | 340 N |
| 其他參數 | |
| 注入直徑 d.pi | 18 mm |
| 作用點位置 a | 7 mm |
| 精密鎖緊螺母型號 | MMR12 |
| 參考重量 | 0.02 kg |
| 相關產品推薦 | |||
| 型號 | 市場價 | 喬峰價 | 庫存 |
| 7001ET2RSZP5DBL軸承 | ¥144.14元 | 電話咨詢 | 41 |
| CB7001CT2RSZP4UL軸承 | ¥176.09元 | 電話咨詢 | 1 |
| H7001.C.T.2RSZ.P5.UL軸承 | ¥43.68元 | 電話咨詢 | 150 |
| 7001.C.T.P2H.UL軸承 | ¥778.35元 | 電話咨詢 | 3 |
| 7001.E.T.P2H.UL軸承 | ¥778.83元 | 電話咨詢 | 4 |
角接觸球軸承推薦
| FAG HCB7000-C-T-P4S-UL軸承 | 基本尺寸,內徑:10.00000mm,外徑:26.00000mm,厚度:8.00000mm。 |
| SKF 71908CE/HCP4AL1DT軸承 | 基本尺寸,內徑:40.00000mm,外徑:62.00000mm,厚度:12.00000mm。 |
| NTN 5S-HTA018UAT2DTB#03軸承 | 基本尺寸,內徑:90.00000mm,外徑:140.00000mm,厚度:45.00000mm。 |
| FAG 7212-B-XL-MP-P5-UM軸承 | 基本尺寸,內徑:60.00000mm,外徑:110.00000mm,厚度:22.00000mm。 |
| HRB 7222ACTN/P5DBB軸承 | 基本尺寸,內徑:110.00000mm,外徑:200.00000mm,厚度:38.00000mm。 |
FAG軸承推薦
| FAG HC7024-E-T-P4S-UL軸承 | FAG HC7024-E-T-P4S-UL軸承,市場價:¥9076.63元,當前庫存2套,添加時間:2023-08-21 16:57:20 |
| FAG HCS71917-E-T-P4S-UL軸承 | FAG HCS71917-E-T-P4S-UL軸承,市場價:¥5029.07元,當前庫存2套,添加時間:2023-08-21 13:57:09 |
| FAG QJ214-XL-N2-MPA-C3軸承 | FAG QJ214-XL-N2-MPA-C3軸承,市場價:¥1305.04元,當前庫存4套,添加時間:2023-08-18 11:30:17 |
| FAG 22338-BE-XL-JPA-T41A軸承 | FAG 22338-BE-XL-JPA-T41A軸承,市場價:¥14759.35元,當前庫存3套,添加時間:2023-08-20 14:15:43 |
| FAG HCM71912-E-2RSD-T-P4S-UL-XL軸承 | FAG HCM71912-E-2RSD-T-P4S-UL-XL軸承,市場價:¥3675.00元,當前庫存2套,添加時間:2023-08-21 16:19:08 |
IKO軸承推薦
| IKO RNA6908UU軸承 | 基本尺寸,內徑:48.00000mm,外徑:62.00000mm,厚度:40.00000mm。 |
| IKO BA167ZOH軸承 | 基本尺寸,內徑:25.40000mm,外徑:31.75000mm,厚度:11.13000mm。 |
| IKO BHAM1112軸承 | 基本尺寸,內徑:17.46200mm,外徑:23.81200mm,厚度:19.05000mm。 |
| IKO TAM1725軸承 | 基本尺寸,內徑:17.00000mm,外徑:24.00000mm,厚度:25.00000mm。 |
| IKO TAFI405520軸承 | 基本尺寸,內徑:40.00000mm,外徑:55.00000mm,厚度:20.00000mm。 |

