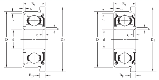
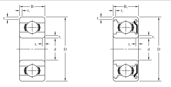
EZO SSF686ZZ軸承尺寸、參數與圖紙
| 基本尺寸 (mm) | |
| 軸承內徑 B | 6 |
| 軸承外徑 D | 13 |
| 法蘭外徑 Df | 15 |
| 倒角半徑 rs(min) | 0.15 |
| 開式軸承厚度 W | 3.5 |
| 開式軸承法蘭厚度 Bf | 1 |
| 密封軸承厚度 B1 | 5 |
| 密封軸承法蘭厚度 Bf1 | 1.1 |
| 重量(kg) | |
| 開式 | 1.87 |
| 開式帶法蘭 | 2.21 |
| 密封型 | 2.68 |
| 密封型帶法蘭 | 3.06 |
| 載荷(N) | |
| 基本動載荷 | 1082 |
| 基本靜載荷 | 442 |
| 極限轉速(rpm) | |
| 脂潤滑 | 40000 |
| 油潤滑 | 50000 |
| 滾珠參數 | |
| 數量 Z | 8 |
| 尺寸 Dw | 2 |
微型軸承推薦
| NMB DDR-830ZZRP0P25LY121軸承 | 基本尺寸,內徑:3.00000mm,外徑:8.00000mm,厚度:3.00000mm。 |
| NSK SR156ZZSMC3軸承 | 基本尺寸,內徑:4.76200mm,外徑:7.93800mm,厚度:2.77900mm。 |
| EZO SSF695ZZP5 AF2軸承 | 基本尺寸,內徑:5.00000mm,外徑:13.00000mm,厚度:4.00000mm。 |
| NSK 698ZZ1MC4U227 J2 EA7LM軸承 | 基本尺寸,內徑:8.00000mm,外徑:19.00000mm,厚度:6.00000mm。 |
| NSK F698ZZ1MC3 PS2S5軸承 | 基本尺寸,內徑:8.00000mm,外徑:19.00000mm,厚度:6.00000mm。 |
FAG軸承推薦
| FAG B7013-E-T-P4S-UL軸承 | FAG B7013-E-T-P4S-UL軸承,市場價:¥516.08元,當前庫存309套,添加時間:2023-08-21 13:33:04 |
| FAG NUP2232-E-XL-M1軸承 | FAG NUP2232-E-XL-M1軸承,市場價:¥4200.00元,當前庫存12套,添加時間:2023-08-19 10:36:42 |
| FAG 7205-B-XL-MP軸承 | FAG 7205-B-XL-MP軸承,市場價:¥215.84元,當前庫存13套,添加時間:2023-08-17 19:35:03 |
| FAG 618/850-MA軸承 | FAG 618/850-MA軸承,市場價:¥0.00元,當前庫存0套,添加時間:2023-12-18 11:30:11 |
| FAG 23036-E1-XL-TVPB-C4軸承 | FAG 23036-E1-XL-TVPB-C4軸承,市場價:¥6313.70元,當前庫存2套,添加時間:2023-08-20 14:04:22 |
IKO軸承推薦
| IKO BAM118軸承 | 基本尺寸,內徑:17.46200mm,外徑:22.22500mm,厚度:12.70000mm。 |
| IKO NATA5904軸承 | 基本尺寸,內徑:20.00000mm,外徑:37.00000mm,厚度:23.00000mm。 |
| IKO TAF435320軸承 | 基本尺寸,內徑:43.00000mm,外徑:53.00000mm,厚度:20.00000mm。 |
| IKO TAW5045Z軸承 | 基本尺寸,內徑:50.00000mm,外徑:62.00000mm,厚度:45.00000mm。 |
| IKO RNAF10012030軸承 | 基本尺寸,內徑:100.00000mm,外徑:120.00000mm,厚度:30.00000mm。 |

