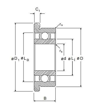
NMB DDRF-1240ZZ軸承尺寸、參數與圖紙
| 基本尺寸 (mm) | |
| 軸承內徑 d | 4 |
| 軸承外徑 D | 12 |
| 開式軸承厚度 B | 4 |
| 密封型軸承厚度 B | 4 |
| 倒角半徑 rs(min) | 0.2 |
| 基本尺寸 (in) | |
| 軸承內徑 d | 0.1575 |
| 軸承外徑 D | 0.4724 |
| 開式軸承厚度 B | 0.1575 |
| 密封型軸承厚度 B | 0.1575 |
| 倒角半徑 rs(min) | 0.008 |
| 安裝尺寸 (mm) | |
| 開式軸承法蘭外徑 D1 | 13.5 |
| 開式軸承法蘭厚度 C1 | 1 |
| 密封式軸承法蘭外徑 D1 | 13.5 |
| 密封式軸承法蘭厚度 C1 | 1 |
| 開式軸承外圈內徑 Lo | 9.99 |
| 開式軸承內圈外徑 Li | 5.62 |
| 密封式軸承外圈內徑 Lo | 9.99 |
| 密封式軸承內圈外徑 Li | 5.62 |
| 載荷(N) | |
| 基本動載荷 | 959 |
| 基本靜載荷 | 347 |
| 滾珠參數 | |
| 數量 Z | 7 |
| 直徑(mm) Dw | 2 |
| 其他參數 | |
| ISO/JIS 標準代號 | F604 |
微型軸承推薦
| SKF W61800-2Z/P6軸承 | 基本尺寸,內徑:10.00000mm,外徑:19.00000mm,厚度:5.00000mm。 |
| NMB DDL-1170ZZHP0P25 LY618軸承 | 基本尺寸,內徑:7.00000mm,外徑:11.00000mm,厚度:2.50000mm。 |
| EZO 636ZZP6EMQ SRL軸承 | 基本尺寸,內徑:6.00000mm,外徑:22.00000mm,厚度:7.00000mm。 |
| EZO SS6700ZZS軸承 | 基本尺寸,內徑:10.00000mm,外徑:15.00000mm,厚度:4.00000mm。 |
| NMB R-1340HHMTRP5P13LY121軸承 | 基本尺寸,內徑:4.00000mm,外徑:13.00000mm,厚度:5.00000mm。 |
FAG軸承推薦
| FAG NU416-XL-M1-C3軸承 | FAG NU416-XL-M1-C3軸承,市場價:¥4483.20元,當前庫存1套,添加時間:2023-08-18 22:18:20 |
| FAG 22217-E1-XL-K-C3軸承 | FAG 22217-E1-XL-K-C3軸承,市場價:¥408.60元,當前庫存143套,添加時間:2023-08-20 11:43:11 |
| FAG 6311-C軸承 | FAG 6311-C軸承,市場價:¥89.25元,當前庫存364套,添加時間:2023-08-15 16:32:36 |
| FAG 7205-B-XL-JP-UA軸承 | FAG 7205-B-XL-JP-UA軸承,市場價:¥243.07元,當前庫存18套,添加時間:2023-08-17 19:34:42 |
| FAG QJ316-N2-MPA-T42A軸承 | FAG QJ316-N2-MPA-T42A軸承,市場價:¥1102.50元,當前庫存1套,添加時間:2023-08-18 11:08:26 |
IKO軸承推薦
| IKO RNA49/58UU軸承 | 基本尺寸,內徑:65.00000mm,外徑:82.00000mm,厚度:25.00000mm。 |
| IKO BA2012ZOH軸承 | 基本尺寸,內徑:31.75000mm,外徑:38.10000mm,厚度:19.05000mm。 |
| IKO CF24BUUR軸承 | 基本尺寸,內徑:24.00000mm,外徑:62.00000mm,厚度:29.00000mm。 |
| IKO GE30GS軸承 | 基本尺寸,內徑:30.00000mm,外徑:55.00000mm,厚度:32.00000mm。 |
| IKO YB188/MF3軸承 | 基本尺寸,內徑:28.57500mm,外徑:34.92500mm,厚度:12.70000mm。 |

