NSK BSF30100DDUHP2B R BE4L 5軸承尺寸、參數與圖紙
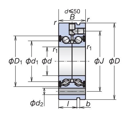
| 軸承尺寸及安裝尺寸(mm) | ||
| 內徑 | d | 30 |
| 外徑 | D | 100 |
| 厚度 | 38 | |
| rmin | 0.6 | |
| r1 min | 0.6 | |
| d1 | 49.1 | |
| D1 | 64.4 | |
| J | 80 | |
| d2 | 8.8 | |
| l | 30 | |
| b | 3 | |
| t | 8x45° | |
| 基本額定載荷(kN) | ||
| 基本額定動載荷 | Ca | 60.5 |
| 基本額定靜載荷 | Coa | 94 |
| 極限軸向靜載荷 | 66.5 | |
| 允許軸向靜載荷 | 46.55 | |
| 極限轉速(min-1) | ||
| 脂潤滑 | 3900 | |
| 其他參數 | ||
| 預緊力(N) | 4855 | |
| 軸向剛度(N/μm) | 950 | |
| 起動力矩(N·m) | 0.59 | |
| 螺母鎖緊力推薦值(N) | 11100 | |
| 形式 | II | |
| 螺栓公稱型號 | M8 | |
| 螺栓數量 | 8 | |
| 質量(kg)(參考值) | 1.71 | |
NSK軸承推薦
| NSK 80BNR19ETYNDBCA10P4軸承 | NSK 80BNR19ETYNDBCA10P4軸承,市場價:¥2100.00元,當前庫存12套,添加時間:2023-08-29 19:18:07 |
| NSK 7209CTYNSULP5 Q軸承 | NSK 7209CTYNSULP5 Q軸承,市場價:¥327.75元,當前庫存30套,添加時間:2023-08-29 11:18:05 |
| NSK 7030CTRDUMP3軸承 | NSK 7030CTRDUMP3軸承,市場價:¥17237.25元,當前庫存1套,添加時間:2023-08-29 21:22:44 |
| NSK 60BNR10ETSRV1VDUEL01 YL2X Q軸承 | NSK 60BNR10ETSRV1VDUEL01 YL2X Q軸承,市場價:¥1603.61元,當前庫存19套,添加時間:2023-08-29 14:55:02 |
| NSK 7915CTYNSULP4 S軸承 | NSK 7915CTYNSULP4 S軸承,市場價:¥1023.75元,當前庫存31套,添加時間:2023-08-29 15:49:49 |
SKF軸承推薦
| SKF NKS60軸承 | 【帶機削套圈、不帶內圈的滾針軸承】,內徑60.0000 mm,外徑80.0000 mm,厚度28.0000 mm |
| SKF W638/9-2Z軸承 | 【深溝球軸承】,內徑9.0000 mm,外徑17.0000 mm,厚度6.0000 mm |
| SKF 585VER軸承 | 【V 形圈密封件,全球通用】,內徑0.0000 mm,外徑0.0000 mm,厚度0.0000 mm |
| SKF NU315ECML軸承 | 【單列圓柱滾子軸承】,內徑75.0000 mm,外徑160.0000 mm,厚度37.0000 mm |
| SKF NU2207ECML軸承 | 【單列圓柱滾子軸承】,內徑35.0000 mm,外徑72.0000 mm,厚度23.0000 mm |
INA軸承推薦
| INA 81210-TV/D-4軸承 | INA 81210-TV/D-4軸承,市場價:¥274.68元,當前庫存10套,添加時間:2023-08-23 14:23:30 |
| INA GE200-UK-2RS-B軸承 | INA GE200-UK-2RS-B軸承,市場價:¥8379.00元,當前庫存5套,添加時間:2023-08-24 15:30:08 |
| INA RFE50-XL-N-I軸承 | INA RFE50-XL-N-I軸承,市場價:¥698.92元,當前庫存1套,添加時間:2023-08-25 21:28:47 |
| INA EGB4040-E40-Y軸承 | INA EGB4040-E40-Y軸承,市場價:¥31.82元,當前庫存1800套,添加時間:2023-08-24 20:20:17 |
| INA GRAE15-XL-NPP-B軸承 | INA GRAE15-XL-NPP-B軸承,市場價:¥77.51元,當前庫存50套,添加時間:2023-08-22 21:14:02 |

