NTN ASPF208-109軸承技術規格
| 類型 | 四螺栓法蘭式軸承座 |
| 軸承類型 | 滾珠軸承 |
| 鎖緊裝置 | 緊定螺釘 |
| 密封型式 | 接觸式 |
| 密封圈材質 | 丁腈橡膠 |
| 軸承型號 | AS208-109 |
| 軸承座型號 | PF208 |
| 殼體材質 | 鋼 |
| 殼體鑄造型式 | 兩片接合式 |
| 注油孔數 | 4 |
| 端蓋類型 | 開式 |
| 性能 | 輕型 |
| 基本額定動載荷 | 6550 lbf 29100 N 29.10 kN |
| 基本額定靜載荷 | 4000 lbf 17800 N 17.80 kN |
| 極限轉速 | 3700轉/分鐘 |
| 重量 | 2.000 lb 0.900 kg |
| 應用溫度范圍 | -40 to 250 oF -40 to 120 oC |
| 潤滑方式 | 不可再潤滑 |
NTN ASPF208-109軸承尺寸規格
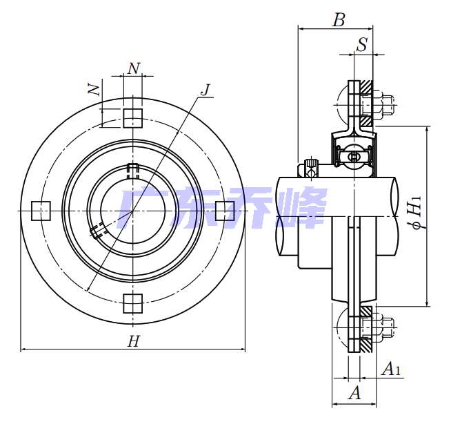
| 四螺栓圓形法蘭式軸承座,沖壓鋼外殼,帶緊定螺釘,ASPF型 - 尺寸 | |
| d | 1.5625 in 39.688 mm |
| H | 5.8125 in 148.0 mm |
| J | 4.6875 in 119.0 mm |
| A | 0.8125 in 21.0 mm |
| A1 | 0.2680 in 6.8 mm |
| N | 0.5312 in 13.5 mm |
| B | 1.4961 in 38.000 mm |
| S | 0.3543 in 9.000 mm |
| H1 | 3.5781 in 91.0 mm |
NTN ASPF208-109軸承尺寸圖
NTN ASPF208-109軸承同尺寸型號
| JELPF208-109 | 詳細尺寸,d:39.688mm,c:6.800mm,b:21.000mm,j:119.000mm,r:148.000mm |
| ASPF208-109 | 詳細尺寸,d:39.688mm,c:6.800mm,b:21.000mm,j:119.000mm,r:148.000mm |
| 共計找到2條記錄 | |
NTN ASPF208-109軸承相關配件/適用型號
| AS208-109 | 詳細尺寸,d:39.688mm,dD:80.000mm,c:18.000mm,b:38.000mm,r:1.500mm |
NTN軸承推薦
| NTN WC88503C3軸承 | 描述:軸承型號:WC88503C3,單列深溝球軸承 - 雙面密封(接觸式橡膠密封),WC88000系列 |
| NTN NPC107RPC軸承 | 描述:軸承型號:NPC107RPC,帶偏心鎖緊套的外球面軸承,狹窄內圈 - 圓柱內徑 |
| NTN L225849/L225818軸承 | 描述:軸承型號:L225849/L225818,圓錐滾子軸承 - 英制系列和J系列 |
| NTN M1221TV軸承 | 描述:軸承型號:M1221TV,帶保持架和滾子的外圈,兩個擋圈 |
| NTN MU1314X軸承 | 描述:軸承型號:MU1314X,內圈帶滾子帶兩個加強筋 |
| NTN NJ215E軸承 | 描述:軸承型號:NJ215E,圓柱滾子軸承 -可分離型內圈帶一個加強筋,外圈帶兩個加強筋 |
| NTN MSN1222EV軸承 | 描述:軸承型號:MSN1222EV,圓柱滾子軸承 -可分離型,短內圈帶一個加強筋,外圈帶兩個加強筋 |
| NTN MU5209TX軸承 | 描述:軸承型號:MU5209TX,圓柱滾子軸承 - 不可分離型,內圈帶兩個加強筋,外圈帶兩個擋圈 |
| NTN KRV10XLLH軸承 | 描述:軸承型號:KRV10XLLH,凸輪從動螺柱式滾輪軸承 - 圓柱內徑,KRV..LLH型 |
| NTN 29336軸承 | 描述:軸承型號:29336,推力調心滾子軸承 |
進口軸承推薦
| NSK 6006軸承 | 描述:0.117 kg,單列深溝球軸承 |
| SKF E2.22212K/C3軸承 | 描述:1.06 kg,調心滾子軸承 |
| SKF 6004-2Z/GJN軸承 | 描述:0.066 kg,單列深溝球軸承 |
| NACHI 22319EXW33KC3軸承 | 描述:9.36 kg,調心滾子軸承 |
| FAG 22315K軸承 | 描述:4.85 kg,調心滾子軸承 |
MCGILL軸承推薦
| MCGILL SB22220C3W33SS軸承 | 基本尺寸,內徑:100.00000mm,外徑:180.00000mm,厚度:46.00000mm。 |
| MCGILL CCYRD1-7/8軸承 | 基本尺寸,內徑:0.50000mm,外徑:1.87500mm,厚度:1.00000mm。 |
| MCGILL GR24N+MI20N軸承 | 基本尺寸,內徑:1.50000mm,外徑:2.06250mm,厚度:1.00000mm。 |
| MCGILL BCCFE1-1/2SB軸承 | 基本尺寸,內徑:0.00000mm,外徑:38.10000mm,厚度:22.23000mm。 |
| MCGILL ROLLWAY-N315EM軸承 | 基本尺寸,內徑:75.00000mm,外徑:160.00000mm,厚度:37.00000mm。 |

