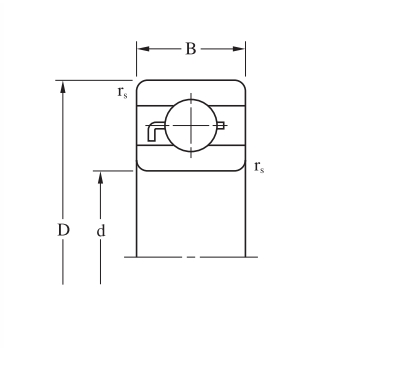
EZO ET2216軸承尺寸、參數與圖紙
| 基本尺寸 (mm) | |
| 軸承內徑 d | 16 |
| 軸承外徑 D | 22 |
| 開式軸承厚度 B | 4 |
| 密封型軸承厚度 B | - |
| 倒角半徑 rs(min) | 0.15 |
| 基本尺寸 (in) | |
| 軸承內徑 d | 0.6299 |
| 軸承外徑 D | 0.8661 |
| 開式軸承厚度 B | 0.1575 |
| 密封型軸承厚度 B | - |
| 倒角半徑 rs(min) | 0.0059 |
| 重量(g) | |
| 密封型 | 3.04 |
| 密封型帶法蘭 | - |
| 載荷(N) | |
| 基本動載荷 | 968 |
| 基本靜載荷 | 619 |
| 極限轉速(rpm) | |
| 脂潤滑 | 20000 |
| 油潤滑 | 24000 |
| 滾珠參數 | |
| 數量 Z | 15 |
| 尺寸 Dw | 1.588 |
微型軸承推薦
| SKF W61800-2Z/P6軸承 | 基本尺寸,內徑:10.00000mm,外徑:19.00000mm,厚度:5.00000mm。 |
| NSK MR85ZZMC3 NS7L5軸承 | 基本尺寸,內徑:5.00000mm,外徑:8.00000mm,厚度:2.50000mm。 |
| EZO MF74ZZ SRL軸承 | 基本尺寸,內徑:4.00000mm,外徑:7.00000mm,厚度:0.00000mm。 |
| NSK 696T12DD3MC4E J EA6L5軸承 | 基本尺寸,內徑:6.00000mm,外徑:15.00000mm,厚度:5.00000mm。 |
| EZO SMR83ZZ軸承 | 基本尺寸,內徑:3.00000mm,外徑:8.00000mm,厚度:2.50000mm。 |
FAG軸承推薦
| FAG 16005-A-2Z#E軸承 | FAG 16005-A-2Z#E軸承,市場價:¥31.19元,當前庫存863套,添加時間:2023-08-15 21:59:13 |
| FAG 6040-M-C3軸承 | FAG 6040-M-C3軸承,市場價:¥2152.50元,當前庫存3套,添加時間:2023-08-17 11:49:13 |
| FAG NU2305-E-XL-M1-C3#E軸承 | FAG NU2305-E-XL-M1-C3#E軸承,市場價:¥220.60元,當前庫存1套,添加時間:2023-08-19 10:19:22 |
| FAG QJ309-XL-MPA-C3軸承 | FAG QJ309-XL-MPA-C3軸承,市場價:¥620.11元,當前庫存60套,添加時間:2023-08-18 10:58:38 |
| FAG 61888-M-C3軸承 | FAG 61888-M-C3軸承,市場價:¥26791.28元,當前庫存3套,添加時間:2023-08-17 11:57:43 |
IKO軸承推薦
| IKO NA496軸承 | 基本尺寸,內徑:6.00000mm,外徑:15.00000mm,厚度:10.00000mm。 |
| IKO RNAFW304026軸承 | 基本尺寸,內徑:30.00000mm,外徑:40.00000mm,厚度:26.00000mm。 |
| IKO TRI153320軸承 | 基本尺寸,內徑:15.00000mm,外徑:33.00000mm,厚度:20.00000mm。 |
| IKO BAM4416軸承 | 基本尺寸,內徑:69.85000mm,外徑:79.37500mm,厚度:25.40000mm。 |
| IKO YBH108軸承 | 基本尺寸,內徑:15.87500mm,外徑:22.22500mm,厚度:12.70000mm。 |

